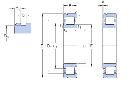
Dimensions
Bore diameter 45 mm
Outside diameter 85 mm
Width 23 mm

Product net weight 0.55 kg
Basic dynamic load rating 85 kN
Basic static load rating 81.5 kN
Reference speed 9 000 r/min
Limiting speed 9 500 r/min
SKF performance classSKF Explorer
d
45 mm Bore diameter
D
85 mm Outside diameter
B
23 mm Width
d1
≈59 mm Shoulder diameter of inner ring
D1
≈72.4 mm Shoulder diameter of outer ring
D3
81.81 mm Diameter of snap ring groove
F
54.5 mm Raceway diameter of inner ring
C2
3.28 mm Distance from outer ring side face to snap ring groove
b
1.9 mm Width of snap ring groove
r1,2
min.1.1 mm Chamfer dimension
r3,4
min.1.1 mm Chamfer dimension
s
max.1.7 mm Permissible axial displacement
Hot Model No.: